PPµç×Ó

PPµç×Ó(Öйú¼¯ÍÅ)¹ÙÍøÊ×Ò³
PPµç×Ó(Öйú¼¯ÍÅ)¹ÙÍøÊ×Ò³

ÐýתÌÖÂÛ

Ê×Ò³ - ²úƷչʾ

big20224711344547

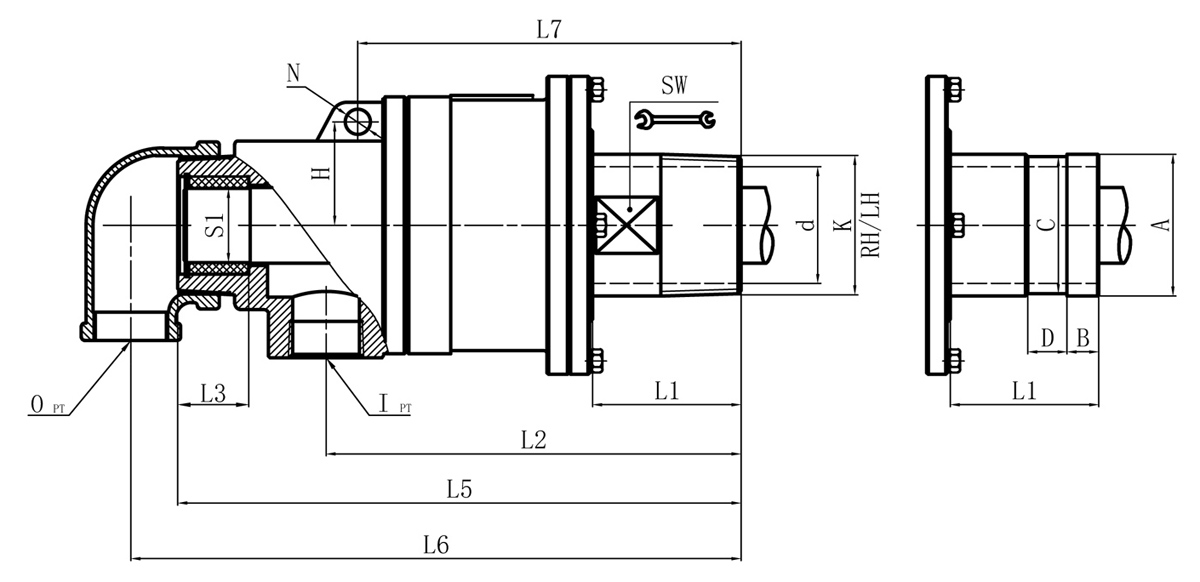
MXB2ÐÍ Ë«Í¨Â·£¨ÄÚ¹ÜÐýתʽ£©

ÐͺţºMXB2
Íâ¹Ü£º·¨À¼
ÌØÕ÷£ºÊÊÓÃÓÚË®¡¢ÈÈÓͽéÖÊ£»£»£»£»£» Æ½ÃæÃÜ·âÉè¼Æ£»£»£»£»£» ¶àµ¯»ÉÉè¼Æ£»£»£»£»£» µ¯»ÉÍâÖÃÆ½ºâʽÉè¼Æ£»£»£»£»£»Ì¼Ê¯Ä«ÃÜ·âÉè¼Æ£»£»£»£»£»Æ½ºâʽ·Ç½ðÊô×éºÏĦ²ÁÉè¼Æ»òƽºâʽ·Ç½ðÊôĦ²Á¸±Éè¼Æ£»£»£»£»£»ÖýÌú¿ÇÌå¡£¡£¡£¡£¡£¡£

ÊÖÒÕ²ÎÊý£º
ÊÊÓýéÖÊ Ë®¡¢ÈÈÓÍ
×î¸ßÎÂ¶È ¡Ü100¡æ£¨Ë®£©¡¢¡Ü300¡æ£¨ÈÈÓÍ£©
×î¸ßѹÁ¦ ¡Ü1.0MPa
×î¸ßתËÙ 80A  ¡Ü 500rpm

²úÆ·×Éѯ ·µ»ØÁбí

ÏúÊÛ·þÎñÈÈÏߣº

0595-8686 1188

PPµç×Ó(Öйú¼¯ÍÅ)¹ÙÍøÊ×Ò³
Model K M I O S S1 D1 L1 L2 L3 L5 L6 L7 L8 N SW H ·¨À¼Ê½Íâ¹Ü³ß´ç±ÈÕÕ±í
A B C D
80A R3" Rc3" Rc2-1/2" Rc1-1/2" Rp1-1/2" 47 72 94 263 45 357 387 243 405 16 85 66 90 20 887 25

ÈçÊô¹æ¸ñÆ·Í⣬£¬£¬£¬±¾¹«Ë¾¿ÉÅäºÏÒªÇóÖÆ×÷¡£¡£¡£¡£¡£¡£
¹æ¸ñ³ß´çÈôÓÐÐ޸쬣¬£¬£¬Ë¡²»ÁíÐÐ֪ͨ¡£¡£¡£¡£¡£¡£

Copyright ?PPµç×Ó °æÈ¨ËùÓÐ ÃöICP±¸05026600ºÅ Öлú±ê×¼»¯Ñо¿Ôº ÍøÕ¾½¨É裺¿ÆÎ°ÍøÂç

¡¾ÍøÕ¾µØÍ¼¡¿
MXB2ÐÍ Ë«Í¨Â·£¨ÄÚ¹ÜÐýתʽ£©_PPµç×Ó,PPµç×Ó¿