PP电子

PP电子(中国集团)官网首页
PP电子(中国集团)官网首页

Rotary Joint

Home - Products

big20211020114595512

MXQCO Rotary Joint

Model:MXQCO
Outer pipe:Flange connection
Feature:Applicable to steam, hot oil medium; Two internal support guides; Optimized seal diameter; Renewable seal plate; Maximum carbon guide separation.

Technical Parameter:
Media Steam、Hot oil
Max.Temperature ≤350℃(Hot oil)、≤280℃(Steam)
Max.Pressure ≤2.0MPa
Max.Speed ≤300rpm

Product consultation Back to list

Sales Service Hotline:

0595-8686 1188

PP电子(中国集团)官网首页


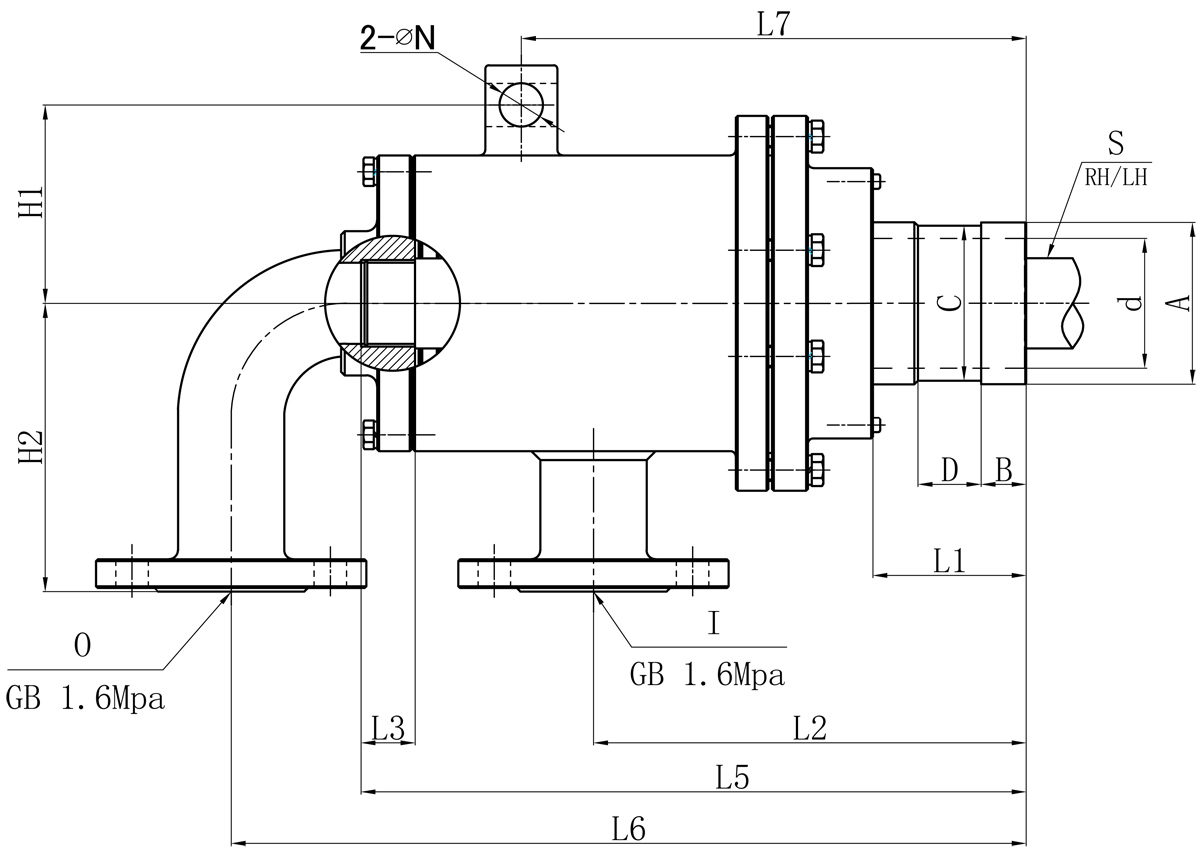
Model I O S d L1 L2 L3 L4 L6 L7 N H1 H2 Flange outer tube size control table
A B C D
65A DN40 DN32 Rc1-1/4" 58 75 195 30 266 415 230 18 106 165 74 19 70 24
80A DN40 DN40 Rc1-1/2" 72 85 225 40 326 440 289 24 110 160 87 25 84 24
90A DN50 DN50 Rc2" 80 100 245 40 346 473 300 25 116 170 100 25 96 30
100A DN65 DN65 Rc2-1/2" 90 105 270 47 400 536 340 25 133 185 114 25 109 35
125A DN100 DN100 Rc3" 125 120 310 60 479 670 450 30 158 215 148 25 142 35
150A DN125 DN125 R4" 140 130 380 60 550 810 430 30 178 260 166 30 160 38
We offer customized products if special sizes.
Specifications are subject to change without notice.

Copyright ?Fujian Minxuan Technology Co., Ltd. all rights reserved 闽ICP备05026600号 中机标准化研究院 BY:KEW

【网站地图】
MXQCO Rotary Joint_Fujian Minx