PP电子

PP电子(中国集团)官网首页
PP电子(中国集团)官网首页

Rotary Joint

Home - Products

big20224161723421416

MXQCO Rotary Joint (Mono Flow)

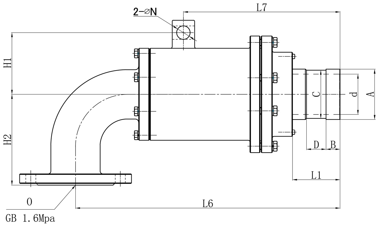
Model:MXQCO
Outer pipe:Flange connection
Feature:Applicable to steam, hot oil medium; Two internal support guides; Optimized seal diameter; Renewable seal plate; Maximum carbon guide separation.

Technical Parameter:
Media Steam、Hot oil
Max.Temperature ≤350℃(Hot oil)、≤280℃(Steam)
Max.Pressure ≤1.0MPa
Max.Speed ≤200rpm

Product consultation Back to list

Sales Service Hotline:

0595-8686 1188

PP电子(中国集团)官网首页


Model O d L1 L6 L7 N H1 H2 Flange outer tube size control table
A B C D
65A DN65 58 75 415 230 18 106 165 74 19 70 24
80A DN80 72 85 485 289 24 110 160 87 25 84 24
90A DN90 80 100 505 300 25 116 170 100 25 96 30
100A DN100 90 105 600 340 25 133 185 114 25 109 35
125A DN125 125 120 716 450 30 158 215 148 25 142 35
150A DN150 140 130 810 430 30 178 260 166 30 160 38

We offer customized products if special sizes.
Specifications are subject to change without notice.

Copyright ?Fujian Minxuan Technology Co., Ltd. all rights reserved 闽ICP备05026600号 中机标准化研究院 BY:KEW

【网站地图】
MXQCO Rotary Joint (Mono Flow)