
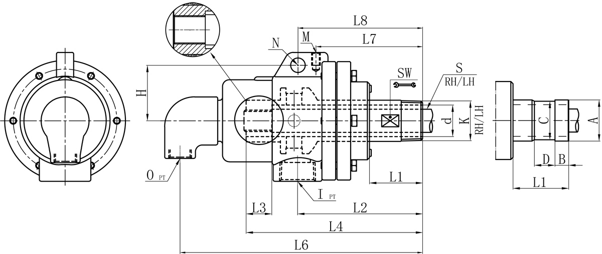
RN
| Model | K | I | O | S1 | d | L1 | L2 | L3 | L4 | L6 | L7 | L8 | M | N | H | SW | Flange outer tube size control table | |||
| A | B | C | D | |||||||||||||||||
| 32A | R1-1/4" | Rc1" | Rc1/2" | 20 | 30 | 51 | 122 | 30 | 184 | 238 | 108 | 139 | M10 | 14 | 60 | 41 | 40 | 13 | 38 | 20 |
| 40A | R1-1/2" | Rc1-1/4" | Rc3/4" | 25 | 36 | 62 | 143 | 35 | 200 | 278 | 133 | 149 | M10 | 16 | 71 | 45 | 47.8 | 13 | 45 | 20 |
We offer customized products if special sizes.
Specifications are subject to change without notice.

RT
| Model | K | I | O | S | d | L1 | L2 | L3 | L4 | L6 | L7 | L8 | M | N | H | SW | Flange outer tube size control table | |||
| A | B | C | D | |||||||||||||||||
| 32A | R1-1/4" | Rc1" | Rc1/2" | Rp1/2" | 30 | 51 | 122 | 30 | 184 | 238 | 108 | 124 | M10 | 14 | 60 | 41 | 40 | 13 | 38 | 20 |
| 40A | R1-1/2" | Rc1-1/4" | Rc3/4" | Rp3/4" | 36 | 62 | 143 | 35 | 200 | 278 | 133 | 149 | M10 | 16 | 71 | 45 | 47.8 | 13 | 45 | 20 |
We offer customized products if special sizes.
Specifications are subject to change without notice.
About Us
Company Profile Company Culture Develop History Technological Innovation Production Quality Honor VideoProducts
Rotary Joint Flexible Metal Hose Graphite AccessoriesNews
Company News Industry news Show information Technical articleTechnology
Product catalog Installation dataFollow us

Contact Us
Unified national service hotlineCopyright ?Fujian Minxuan Technology Co., Ltd. all rights reserved 闽ICP备05026600号 中机标准化研究院 BY:KEW