PP电子

PP电子(中国集团)官网首页
PP电子(中国集团)官网首页

旋转讨论

首页 - 产品展示

big202110201137173305

MXQC2型 旋转讨论

型号:MXQC2
外管:螺纹或法兰
特征:反球面密封;;;;;; 标准碳石墨密封手艺;;;;;; 宽间距多道无油轴承支持;;;;;; 细密铸件壳体;;;;;; 分体式设计;;;;;; 可自动调心;;;;;; 旋转轴外貌经耐磨损、耐侵蚀处理;;;;;; 密封磨损刻度线,,可预防性维护设计;;;;;; 偏摆顺应性强;;;;;; 双通路设计;;;;;; 易于替换 。。。

手艺参数:
适用介质 蒸汽
最高温度 ≤220℃
最高压力 ≤2.0MPa
最高转速 ≤300rpm

产品咨询 返回列表

销售服务热线:

0595-8686 1188

PP电子(中国集团)官网首页


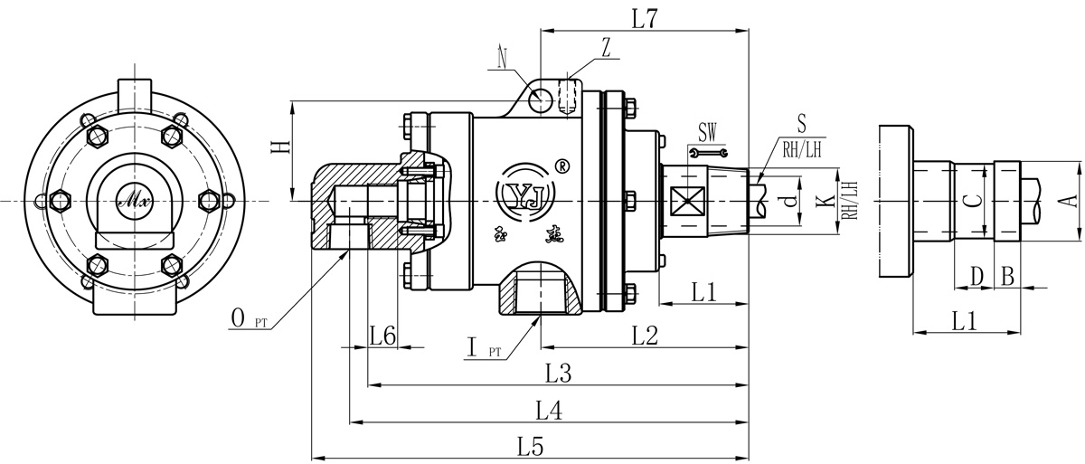
Model K I O S d L1 L2 L3 L4 L5 L6 L7 Z N SW H 法兰式外管尺寸比照表
A B C D
32A R1-1/4" Rc1" Rc3/4" Rp1/2" 30 54 128 232 246 270 18 132 M10 14 39 62 40 13 38 20
40A R1-1/2" Rc1-1/4" Rc3/4" Rp3/4" 36 57 142 262 276 300 20 143 M10 16 45 69 47.8 13 45 20
50A R2 Rc1-1/2" Rc1" Rp1" 45 70 170 303 317 343 22 176 M12 18 57 82 60 16 57 24

如属规格品外,,本公司可配合要求制作 。。。
规格尺寸若有修改,,恕不另行通知 。。。

Copyright ?PP电子 版权所有 闽ICP备05026600号 中机标准化研究院 网站建设:科伟网络

【网站地图】
MXQC2型 旋转讨论_PP电子,PP电子科技,旋转讨论,