PP电子

PP电子(中国集团)官网首页
PP电子(中国集团)官网首页

Rotary Joint

Home - Products

big2022471721242672

MXB Rotary joint (Mono Flow)

Model:MXBWMT、MXBWMQ
Outer pipe:Thread connection or flange connection
Feature:Plane sealing technology; Full flow area,Low pressure drop; Two-piece housing,on-machine seal replacement; Ceramic and carbon graphite seal faces; External loaded springs,Uniform seal loading; Bearing isolation system available,Increased bearing protection.

Technical Parameter:
Media Water、Oil
Max.Temperature ≤300℃(Oil)≤120℃(Water)
Max.Pressure ≤1.0MPa
Max.Speed

15A-80A ≤3000rpm


Product consultation Back to list

Sales Service Hotline:

0595-8686 1188

PP电子(中国集团)官网首页


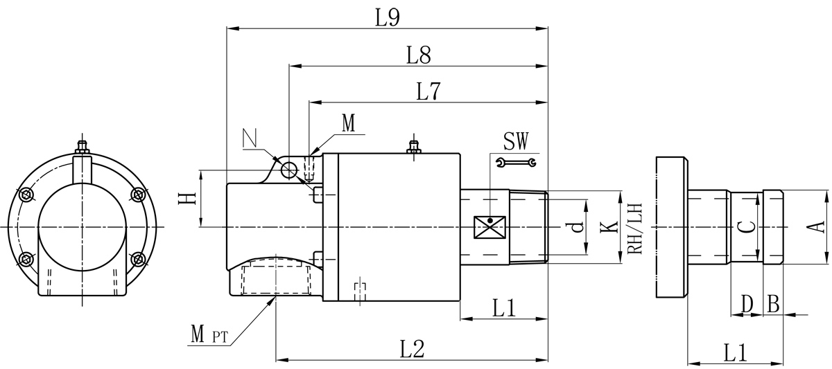
Model K M d L1 L2 L7 L8 L9 M N H SW Flange outer tube size control table
A B C D
15A R1/2” Rc1/2” 13 35 113 104 / 128 M6 / / 22 / / / /
20A R3/4” Rc3/4” 17 42 132 121 / 150 M6 / / 26 26 11 24 16
25A R1” Rc1” 21 42 138 124 / 159 M6 / / 32 34 12 32 18
32A R1-1/4” Rc1-1/4” 30 50 160 141 / 188 M8 / / 41 40 13 38 20
40A R1-1/2” Rc1-1/2” 36 57 176 155 168 206 M6 10 37 46 47.8 13 45 20
50A R2” Rc2” 46 70 202 175 189 240 M8 10 44 57 60 16 57 24

We offer customized products if special sizes.
Specifications are subject to change without notice.

Copyright ?Fujian Minxuan Technology Co., Ltd. all rights reserved 闽ICP备05026600号 中机标准化研究院 BY:KEW

【网站地图】
MXB Rotary joint (Mono Flow)_F