PP电子

PP电子(中国集团)官网首页
PP电子(中国集团)官网首页

Rotary Joint

Home - Products

big202110191751566655

YJ2 Rotary Joint (Mono Flow)

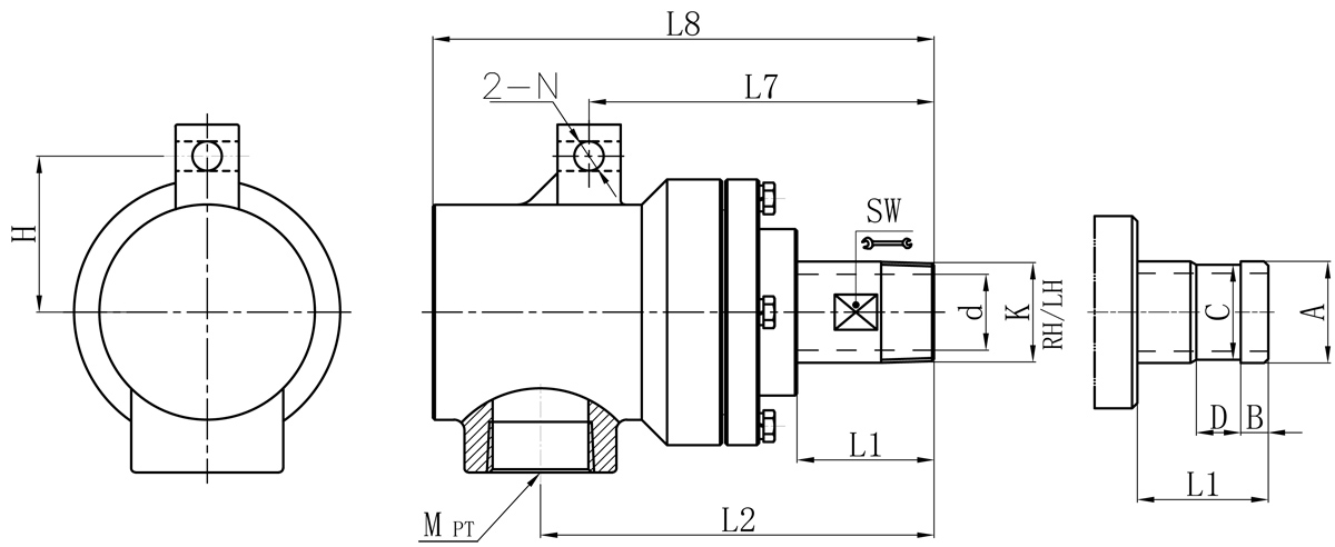
Model:YJ2D、YJ2DF
Outer pipe:Thread connection or flange connection
Feature:Spherical seal design; Standard carbon graphite sealing technology; Multiple widely spaced graphite bearing support; Precision cast iron shell; Mono-flow and dual-flow design; Automatic centering; Surface treatment of the rotating shaft for abrasion resistance and corrosion resistance; Preventive maintenance design with sealing abrasion scale line; Strong deflection adaptability

Technical Parameter:
Media Hot Oil、Steam
Max.Temperature ≤300℃(Hot Oil)、≤220℃(Steam)
Max.Pressure ≤1.8MPa
Max.Speed ≤200rpm

Product consultation Back to list

Sales Service Hotline:

0595-8686 1188

PP电子(中国集团)官网首页


Model K M d L1 L2 L7 L8 N H SW Flange outer tube size control table
A B C D
20A R3/4" Rc3/4" 18 49 141 125 170 10 56 24 26 11 24 16
25A R1" Rc1" 23.5 54 147 131 181 12 60 32 34 12 32 18
32A R1-1/4” Rc1-1/4" 30 57 161 140 205 14 68 39 40 13 38 20
40A R1-1/2” Rc1-1/2" 36 67 186 163 260 14 74 45 47.8 13 45 20
50A R2” Rc2" 45 72 212 170 285 14 97 58 60 16 57 24

We offer customized products if special sizes.
Specifications are subject to change without notice.

Copyright ?Fujian Minxuan Technology Co., Ltd. all rights reserved 闽ICP备05026600号 中机标准化研究院 BY:KEW

【网站地图】
YJ2 Rotary Joint (Mono Flow)_F