PP电子

PP电子(中国集团)官网首页
PP电子(中国集团)官网首页

Rotary Joint

Home - Products

big202110191756229953

MXQ (Mono Flow)

Model:MXQ
Outer pipe:Thread connection or flange connection
Feature:Spherical seal design; Standard antimony or carbon graphite seal technology; Renewable seal plate; carbon guide separation; Improved joint and syphon support; Rotary or stationary siphon compatibility.

Technical Parameter:
Media Hot oil、Steam
Max.Temperature ≤350℃(Hot oi)、≤220℃(Steam)
Max.Pressure ≤1.8MPa
Max.Speed 20A-80A≤250rpm; 90A-150A≤100rpm

Product consultation Back to list

Sales Service Hotline:

0595-8686 1188

PP电子(中国集团)官网首页


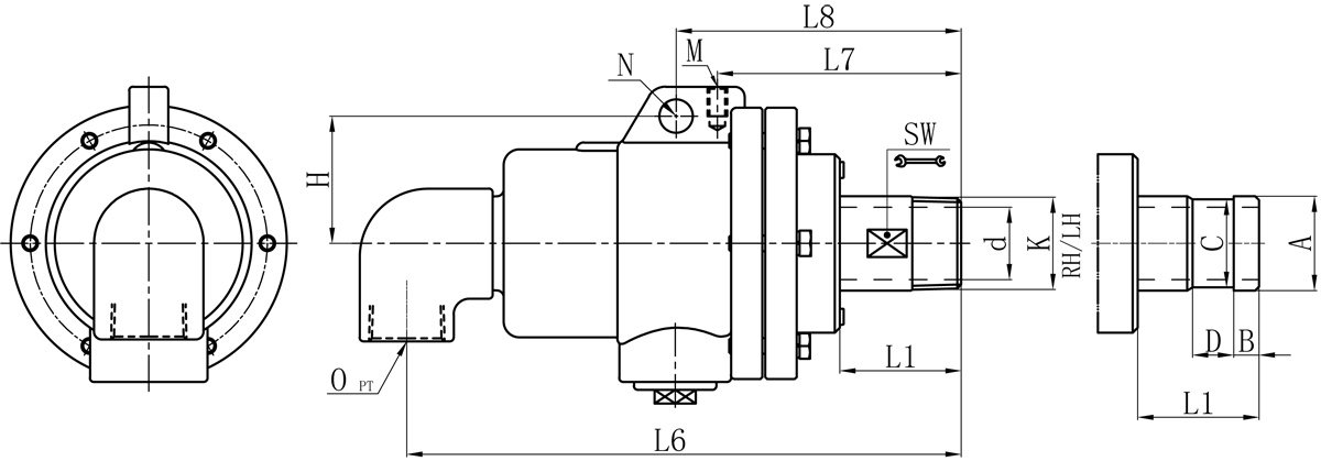
Model K O d L1 L6 L7 L8 M N H SW Flange outer tube size control table
A B C D
20A R3/4" Rc3/4" 18 46 199 96 / M10 / / 24 26 11 24 16
25A R1" Rc1" 23.5 51 212 109 / M10 / / 32 34 12 32 18
32A R1-1/4" Rc1-1/4" 30 55 245 108 124 M10 14 60 41 40 13 38 20
40A R1-1/2" Rc1-1/2" 36 62 280 133 149 M10 16 71 45 47.8 13 45 20
50A R2" Rc2" 45 71 326 150 173 M12 18 81 55 60 16 57 24
65A R2-1/2” Rc2-1/2” 58 76 368 157 183 M12 20 91 70 74 19 70 24
80A R3” Rc3” 72 87 441 187 214 M12 20 100 85 87 25 84 24

We offer customized products if special sizes.
Specifications are subject to change without notice.

Copyright ?Fujian Minxuan Technology Co., Ltd. all rights reserved 闽ICP备05026600号 中机标准化研究院 BY:KEW

【网站地图】
MXQ (Mono Flow)_Fujian Minxua