PP电子

PP电子(中国集团)官网首页
PP电子(中国集团)官网首页

Rotary Joint

Home - Products

big202110201144364016

TX Rotary Joint (Mono Flow)

Model:TXD、TXDF
Outer pipe:Thread connection or flange connection
Feature:Spherical seal design; Tube go by special treatment; Two internal support guides; Maximum carbon guide separation; Renewable seal plate.

Technical Parameter:
Media Steam
Max.Temperature ≤220℃
Max.Pressure 1.8MPa
Max.Speed ≤200rpm

Product consultation Back to list

Sales Service Hotline:

0595-8686 1188

PP电子(中国集团)官网首页
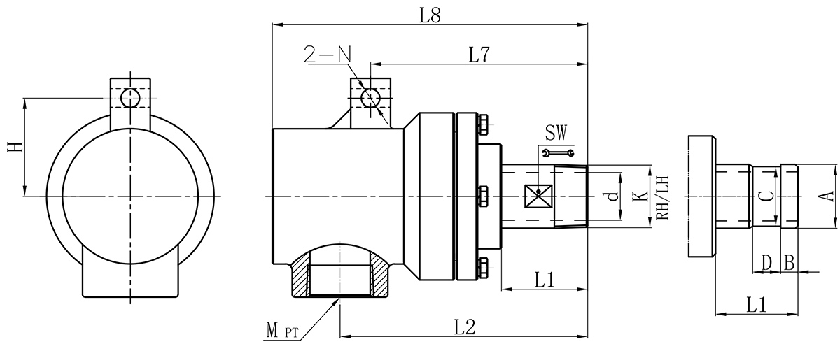
Model K M d L1 L2 L7 L8 N H SW Flange outer tube size control table
A B C D
20A R3/4" Rc3/4" 18 49 141 125 170 10 56 24 26 11 24 16
25A R1" Rc1" 23.5 54 147 131 181 12 60 32 34 12 32 18
32A R1-1/4” Rc1-1/4" 30 57 161 140 205 14 68 39 40 13 38 20
40A R1-1/2” Rc1-1/2" 36 67 186 163 260 14 74 45 47.8 13 45 20
50 R2” Rc2" 45 72 212 170 285 14 97 58 60 16 57 24

We offer customized products if special sizes.
Specifications are subject to change without notice.flange connectionflange connection.

Copyright ?Fujian Minxuan Technology Co., Ltd. all rights reserved 闽ICP备05026600号 中机标准化研究院 BY:KEW

【网站地图】
TX Rotary Joint (Mono Flow)_Fu